欢(huān)迎光临 [ 开云体育官方网站 ] 官方网站! 网站首页      |     联系我(wǒ)们

滗(bì)水器

产品列表
加药装置系列

PAM加药装置

概述
       PAM加药装置是一个自动(dòng)、连(lián)续式的絮凝剂(jì)溶配装置,配制溶液范围为0-5000升/时,浓度为0.1%-0.3%。
       干粉絮凝剂从螺旋推(tuī)进器内(nèi)进(jìn)入速溶器内与清水进行预混,被湿(shī)润的物料进入配制槽进行搅拌稀释,按(àn)要求浓(nóng)度进行配制;配制过程中,进水量在流量计观测下必须相对稳定(dìng),从而保证在整个(gè)工作工程中,配制溶液浓度不变。
       配(pèi)制溶液从配制槽经熟(shú)化槽再进入储存槽,当储存槽液位处于高位时,配置过程自动停止,加药(yào)液过程(chéng)继续,当溶液(yè)下降到中液位时,重新自动启动配料过程。配制槽和熟(shú)化槽均设置搅(jiǎo)拌器,充分保(bǎo)证絮(xù)凝剂的稀(xī)释和熟化。另外,储(chǔ)存槽溶液不足时会触及下液位报警系统,所有系统均停止(zhǐ)并报警。本装置是由具有(yǒu)自动化程度高、性能稳定(dìng)、工作可(kě)靠、操(cāo)作简单等特点。

产品特点
       1、自动(dòng)化程度高、操作简单方便;
       2、系统稳定可靠(kào),有故障时相关设备会自动(dòng)按要求停止,同时发出报警信号;
       3、采(cǎi)用螺旋给料器投(tóu)加粉体,可手动调速,保证投料均匀、分散(sàn)、精度高;
       4、在(zài)规定的(de)生产(chǎn)量及连续投液条件下,其配置浓度为0.1%-0.5%;
       5、干粉不足、药液不足时均能发出报警信号(hào);
       6、采用(yòng)微型振动马达防干粉仓内(nèi)架桥;
       7、预混器加速粉料的水化作用。

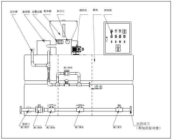
设(shè)备配置说明
标准配置 9、进水流量计(管式)
1、三腔式预调、熟化、成药箱体(tǐ) 10、进水电磁阀
2、干粉投加箱 11、管阀件组合
3、干(gàn)粉速溶装置 12、控制箱子(本地控(kòng)制含远程控制接口)
4、手(shǒu)调式干粉加药器 可选配置
5、干粉(fěn)仓振动器 1、药粉加热(rè)装置
6、干粉(fěn)断料报警器 2、进水电(diàn)磁流量计(jì)
7、混合搅拌机 3、高浓度液(yè)态稀释系统
8、成药液位控制器 4、药液(yè)投加泵

外形示意图

技术参数(shù)表
型号 泡药量 (L/H) 箱体有效(xiào)总(zǒng)体积 (m3) 总功率 (kw)
TBAD1000 1000 1.5 2
TBAD 1500 1500 2 2.8
TBAD 2000 2000 2.5 2.8
TBAD 2500 2500 3 3.85
TBAD 3000 3000 3.5 3.85
TBAD 3500 3500 4 3.85
TBAD 4000 4000 4.5 5.05
展开
开云体育 - 开云(中国)一站式服务官方网站